Random Template

5.3.13

MINI_ATV_TRANSMITTER

MINI_ATV_TRANSMITTER
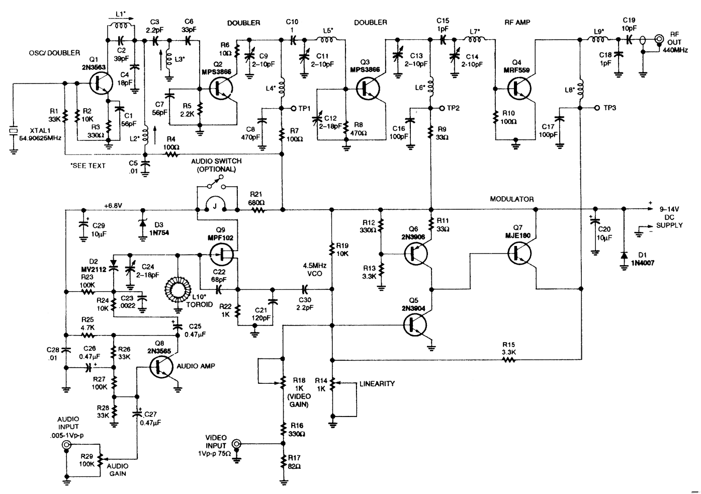
This low-power NTSC video and sound transmitter is useful for amateur radio, video handle-talkie, R/C and surveillance pur-poses. A crystal oscillator-multip lier RI' power amplifier. Video modulation is via a three-transistor series modulator. The sound subcarrier is generated with a VC0 circuit and is combined with the video information. The output is 0.4 to 1.2 W with supply volt-ages of 9 to 14 volts. A complete kit of parts, including PC board, is available from North Country Radio, P.O. Box 53, Wykagyl Sta-tion, New Rochelle, NY 10804-0053A.